
前言
新疆东方希望有色金属有限公司(以下简称为:新疆希铝)是中国大型民营企业东方希望集团的全资子公司,是东方希望新疆重工重要支柱产业。新疆希铝于2010年12月30日,在新疆昌吉州吉木萨尔县五彩湾工业园成立,将建设大型现代化铝电一体化工厂。项目建成后,将成为中国乃至世界最大的铝电一体化企业,给地区经济发展带来极大的推动作用,促进并推动国家“一带一路”发展战略。
一、项目概况
新疆东方希望有色金属有限公司自备电厂(以下简称为:新铝电厂)是东方希望新疆重工为其建设成为世界最大的铝电一体化企业所配套设立的动力厂,一期建设的5X350MW临界压力锅炉机组已经于2014年初全面投入生产运行。

图1:厂区概貌
二、锅炉系统
新疆东方希望有色金属有限公司自备电厂1、2号机组为2×350MW燃煤发电机组,锅炉为东方锅炉股份有限公司生产的亚临界参数、四角切圆燃烧、自然循环汽包炉。风机在各个工况的运行效率在60%以下,运行效率较低,有节能空间巨大。
三、负载参数
新铝电厂一次风机参数如下所示:
电机参数 | 电机型号 | YXKK 630-4 | 负载参数 | 负载类型 | 离心式通风机 | ||
电机功率 | [kW] | 1800 | 负载型号 | GJ34542 | |||
额定电压 | [V] | 6000 | 轴功率 | [kW] | 1627.2 | ||
额定电流 | [A] | 204.2 | 额定转速 | [rpm] | 1480 | ||
额定转速 | [rpm] | 1491 | 额定流量 | 万m3/h | 30.672 | ||
功率因数 | 0.88 | 额定压力 | Pa | 16899 | |||
生产厂家 | 电机股份有限公司 | 生产厂家 | 成都电力机械厂 | ||||
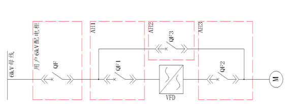
四、一次系统方案
为满足一次风机能同时工频启动和运行的需要,系统采用1250A断路器用以提高可靠性。一次系统如下图所示:

QF为用户6KV段断路器,带有综保装置;
QF1为变频器输入断路器,QF2为变频输出断路器,QF3为工频旁路断路器;
QF2与QF3之间有电气互锁,其中一个断路器合上后另一个断路器不能合上。
五、运行成果
2014年11月,新疆希铝为践行集团竭尽全力创造企业的相对优势的价值理念,推动新铝电厂1#、2#机组一次风机节能技改项目。本次改造用高压变频器的采购以公开招标的形式进行,本着公平、公正、公开的原则,最终选择威廉希尔500欧洲指数SBH系列高压变频器产品,共计4套,型号规格为:SBH-060-2000。
设备于2015年1月完成全部安装就位,4台设备一次性调试成功,并于2015年3月全面投入生产运行,并顺利通过厂内168小时考核,各项指标满足设计要求。从实际使用情况来看,一次风机采用”威廉希尔500欧洲指数”品牌高压变频器具有以下优点:
1、控制精度高,节能效果明显。当锅炉负荷为70%时,节电率为:43%,当锅炉负荷为80%时,节电率为:33%。
2、变频器系统效率高,变频器效率在97%以上。
3、提高系统功率因数,功率因数达到0.96以上。
4、起动平缓,起动电流小,便于实现自动化控制。
5、可实现真正的软启动,对电动机和电网无冲击,降低风机及电动机的故障率,减少维修费用。
6、易维护;改造、调试周期短;故障时可切换工频运转,风机不用停机就能切换到工频运行,提高可靠性。
实践证明,本次选用“威廉希尔500欧洲指数”品牌高压变频器对1#、2#炉进行变频改造是成功的,节能效果达到预期效果。高压变频器从安装、调试、到设备最终投运,一次性调试成功,产品性能先进,生产制造工艺优良,产品质量可靠,各项指标均满足生产系统要求。
六、小结
随着电厂节能优化的深入,变频器的发展,技术逐步成熟,可靠性的提高,电厂的重要辅机已经敢于变频器改造的尝试,通过多个项目的改造实例证明,电厂风机的变频改造是可行的,通过我们的共同努力,电厂辅机的能耗必能下降一个新的台阶,电厂的春天已经来的。同时,东方希望新铝电厂一次风机变频节能改造成功,再次证明威廉希尔500欧洲指数SBH系列高压变频器作为一种高效、节能、无电网污染的高压大功率变频调速控制装置,领先同行水平。