
一、引言
为节省能源,减少城市污染,充分利用火力发电厂蒸汽轮机发电后的余热,在冬季对北方城市集中供热。从发电厂送出来的热水,到城市中的换热站时,一次供水热水温度有90多度,经过热交换器后,一次回水热水的温度下降到60多度,然后再流回发电厂。送到城市居民家中的热水,进入换热站热交换器的二次回水温度有50多度,二次供水温度60多度。陕西宝鸡有许多这样的换热站,其中有一换热站有四台热交换器,四台37kW的管道泵组成的循环泵组,一台3.7kW的补水泵。循环泵和补水泵采用人工开、关阀门控制流量,使管路的阻尼增大而造成电能浪费。
二、换热站的变频调速控制
1. 补水泵变频调速控制
为更进一步的节能,对换热站实施了自动化改造,循环泵和补水泵用变频调节,整个城市供热系统用计算机进行监控,实现了换热站无人值守。通过循环泵使热水在供热系统中运行,管道、阀门的泄漏引起循环水的水压降低,如不及时补水,会造成供热系统运行不正常。补水泵的变频泵补水方式比较简单,采用恒压供水方式,设定压力为4kg。本例选用一台SB200-3.7T4变频器,选用森纳斯DG130W-BZ-A 1MPa压力变送器,变频调速补水系统如图所示:

变频调速补水系统原理图
2. 循环泵的变频调速控制
供热系统的最终目标是保持热用户的室内温度的稳定,但由于热用户没有室温调节器,且对众多的热用户的室温不可能形成闭环控制。为做到经济运行又保证供热质量,最有效的方法是根据控制换热站的二次供水温度。稳态条件下系统的供热量、散热器的散热量及用户的耗热量相等的规律,可得到稳态条件下的二次供水温度:

对(1)式进行修正并考虑到室内温度、二次管网实际流量与设计流量之比和回水温度近似为常数,则:

式中:a、b、c为管网所处地区气象的有关参数。
式(2)为二次供水温度给定值的计算方法。由(2)式确定的t2g能跟踪室外温度tw的变化,使热用户室内温度不受tw变化的影响,实现稳定供热。
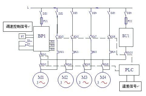
如果室外温度改变,要使室内的温度基本恒定,一种控制策略是用二次进水与回水的温差来控制循环泵变频器的转速,设定二次进水与回水的温差为12摄氏度。当二次进水与回水的温差大于12摄氏度时,循环泵变频器加速;当二次进水与回水的温差小于12摄氏度时,循环泵变频器减速。循环泵变频调速系统图如图所示:
图中,BP1—威廉希尔500欧洲指数SB200-37T4变频器,BU—软启动器(自耦减压起动器),系统采用循环投切方式,温差信号送入PLC,经过PLC处理后,到变频器作为调速控制信号。整个系统的运行信息由PLC送到计算机上。

循环泵调速系统图
三. 循环泵的节能
循环泵变频调速后,所有的阀门开度最大,系统的阻力最小,当平均流量是设计流量的80%时,节电率可按GB12497《三相异步电动机经济运行》强制性国家标准实施监督指南中的计算公式计算:

即:
节电率36%,可见节约电能的效益十分可观。
四、结束语
我国是能源贫乏的国家之一,节能降耗是我们的国策。在全国各城市中集中取暖的换热站成千上万,如果都进行节能改造,节约的电量不可小视。而且,系统运行稳定可靠,实现了无人值守,经济效益和社会效益明显。