
浙江嵊州市白云涂布厂瓦楞纸板机,交流分部传动有7个传动点,交流电机的功率分别为三台18.5kW、二台22kW、一台30kW、一台37kW。纸板机原传动为电磁调速电机,电磁调速控制简单,价钱便宜,但低速转矩特性差,稳定性不高,效率低。
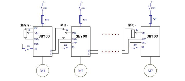
为提高纸板机的性能,并考虑节能,对其进行变频调速改造。由于纸板机车速不高,用SB70G系列变频器开环控制可满足生产工艺要求。速度链采用主从控制方式,即网部作为主给定,后面的压榨跟踪主控制器速度,烘干跟踪压榨速度,卷纸跟踪烘干速度,纸机变频控制系统图如图1所示。

图1 纸机变频控制系统图
本例中,变频器的输出端子y1、y2输出4~20mA信号,该信号作为下级速度信号,电位器可作微调。调整某一级,这级之后的速度也跟着改变,这样,不因为调整而使后面的速比发生变化引起新的不同步。
变频器在纸机生产上外围无需加任何同步控制器,很容易实现同步调速,且故障少,使用方便。经过变频改造,去掉了效率较低的电磁调速,节能效益十分显著,得到了用户的高度评价。